- 发文字号
- 索引号
- 114104005596392350/2026-00001
- 发布日期
- 2026-01-28
- 主题分类
- 政府信息公开年度报告
- 体裁分类
- 服务对象
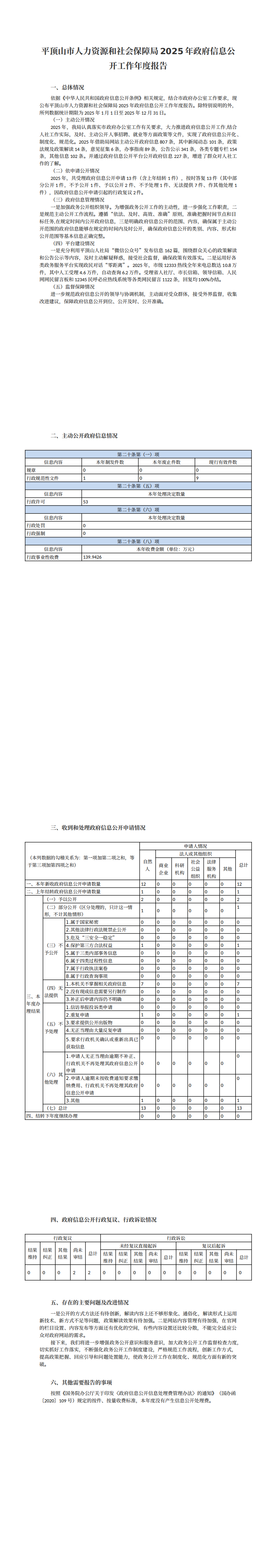
平顶山市人力资源和社会保障局2025年政府信息公开工作年度报告
发布日期:2026-01-28
浏览次数:
次浏览

豫公网安备 41040002000001号


